AUTO-WIRE
advance
May be reproduced for personal, non-commercial use only
www.advanceautowire.com A PUBLICATION 5 © 200
dmp
dmp
A PUBLICATION
© 2005
AUTO-WIRE
advance
www.advanceautowire.com
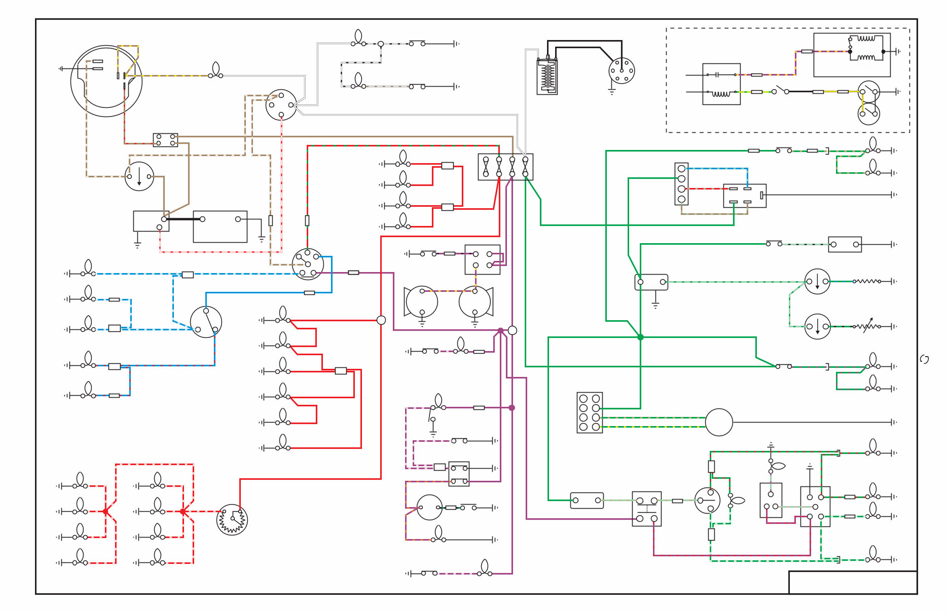
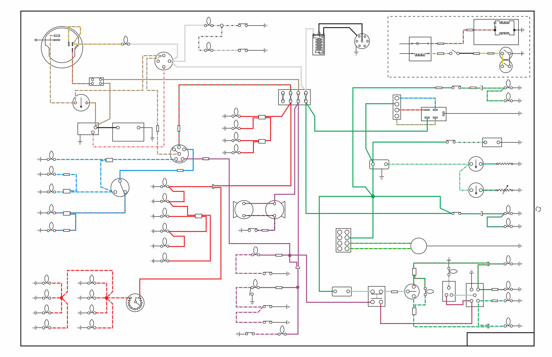
TRIUMPH TR250 - TR6
WIRING DIAGRAMS
TR 250
F
_
+
IND
+
-
_
C1 W1
W2
C2
C4
P
L B
1
3 4
HAZARD
SWITCH
TURN SIGNAL
SWITCH
TURN SIGNAL
FLASHER
TS INDICATOR
HAZARD
RELAY
HAZARD
FLASHER
LH REAR
LH FRONT
RH FRONT
RH REAR
B L
B+
+
F
STARTER
STARTER
SOLENOID
BATTERY
AMMETER
LIGHTING
SWITCH
ALTERNATOR
ALTERNATOR
REGULATOR
ALTERNATOR WARNING LAMP
BRAKE WARNING LAMP
LOW OIL PRESSURE LAMP
BRAKE WARNING SWITCH
LOW OIL PRESSURE SWITCH
FUSE BOX
IGNITION SWITCH
B E
I
TEMP GAUGE & SENDER
FUEL GAUGE & SENDER
GAUGE ILLUMINATION LAMPS
DIMMER
SWITCH
HIGH BEAMS LOW BEAMS
HIGH BEAM INDICATOR
FRONT PARKING &
MARKER LIGHTS
HORN
BUTTON
TAIL, REAR MARKER, &
LICENSE PLATE LAMPS
B
DISTRIBUTER
IGNITION
COIL
WIPER MOTOR WIPER SWITCH
HEATER FAN
SWITCH
HEATER FAN MOTOR
REVERSE LIGHTS
& SWITCH
BRAKE LIGHTS
& SWITCH
WINDSHIELD WASHER
1 2
3 4
5 6
7 8
W1
W2
C1
C2
YP
YP
Y
Y
YG
YG
B
W N
B
FROM FUSE BOX
OVERDRIVE
ON - OFF
SWITCH
TRANSMISSION
INTERLOCK
SWITCHES
PULL-IN
COIL
HOLDING
COIL
CUT-OUT
SWITCH
OVERDRIVE
SOLENOID
RELAY
OPTIONAL OVERDRIVE
GAUGE LAMP
DIMMER CONTROL
HORNS
UW
UW
UW
UR
UR
UR
UW
U
U U
RW
RW
RW
RW
RW
RW
RW
RW
R
R
RW
R
R
R
R
R
R
R
R
R
R
R
R
R
P P
P
G G
R
R
RG
N
W
W
W
W NY
RG
P N
RG
NW
NW
NU
NW
NW
NY
NG
NR
NY
W
WB
WB
WN
PB
PB
PB
G
G
G G
G
LG/G
LG/G
GN GN GN
GN
GN
GU
GB
LG/N LG/N LG/N
GR
GR
GR
GR
GR G
GW G
GW
GW
GW
GW
GW
GR
P PR PR
GW
GR
W
G
G
GP GP GP
GP
GP
B
B
R/LG R/LG
N/LG N/LG
GN
GY
GAUGE VOLTAGE
STABILIZER
G LG/B
WR
NW
WR
N
N
NR
LG/P
PR
LG/N
B
B
B
B
B
B
B
B
B
B
B
B
B
B
B
B
B
P
B
B
B
B
B
B
B
B
B
B
Y
B
B
B
B
COLOR CODES
N Brown LG Light Green G Green
U Blue W White B Black
R Red Y Yellow K Pink
P Purple S Slate O Orange
F
S
2
AUTO-WIRE
advance
May be reproduced for personal, non-commercial use only
www.advanceautowire.com A PUBLICATION 5 © 200
dmp
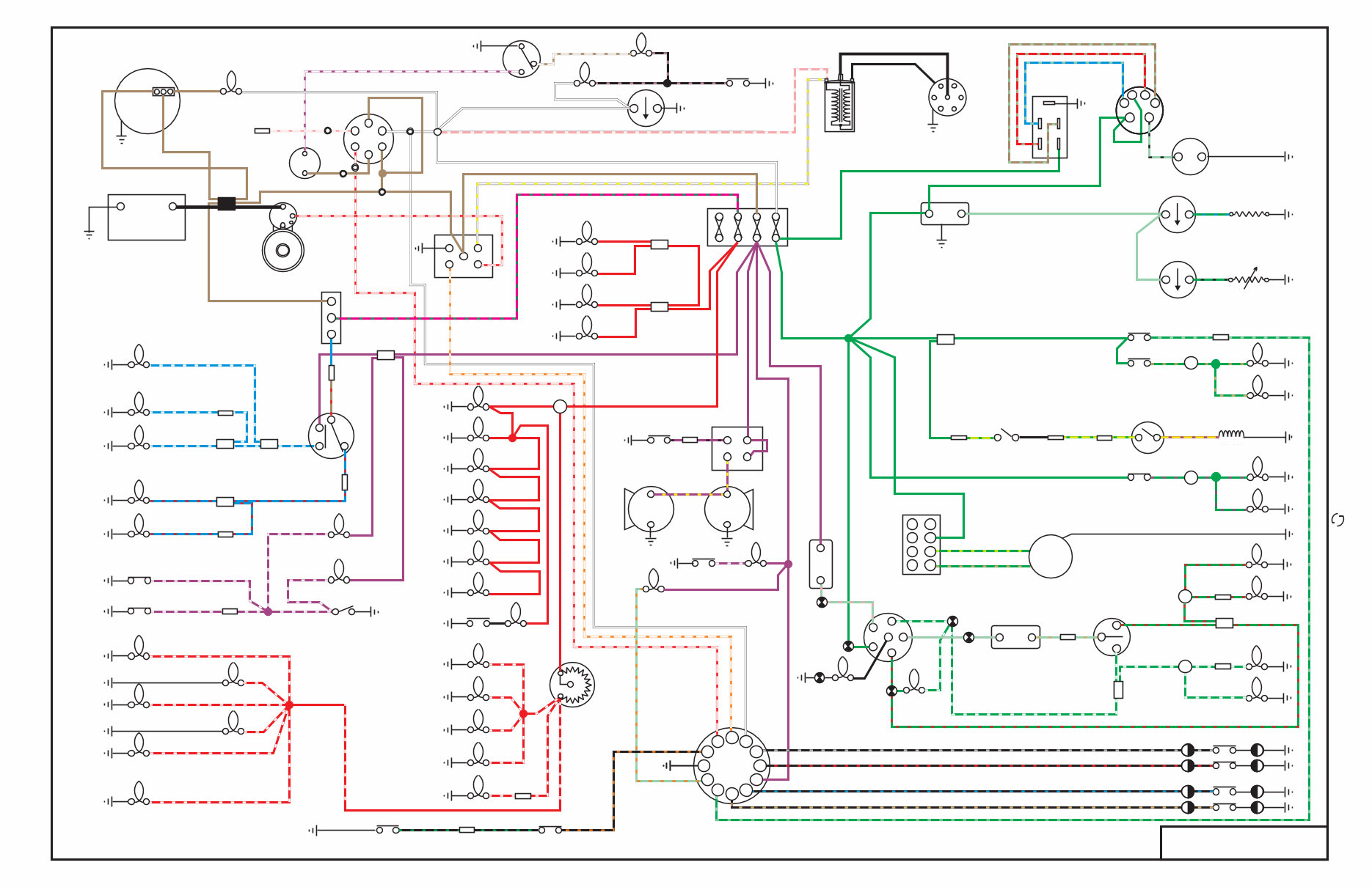
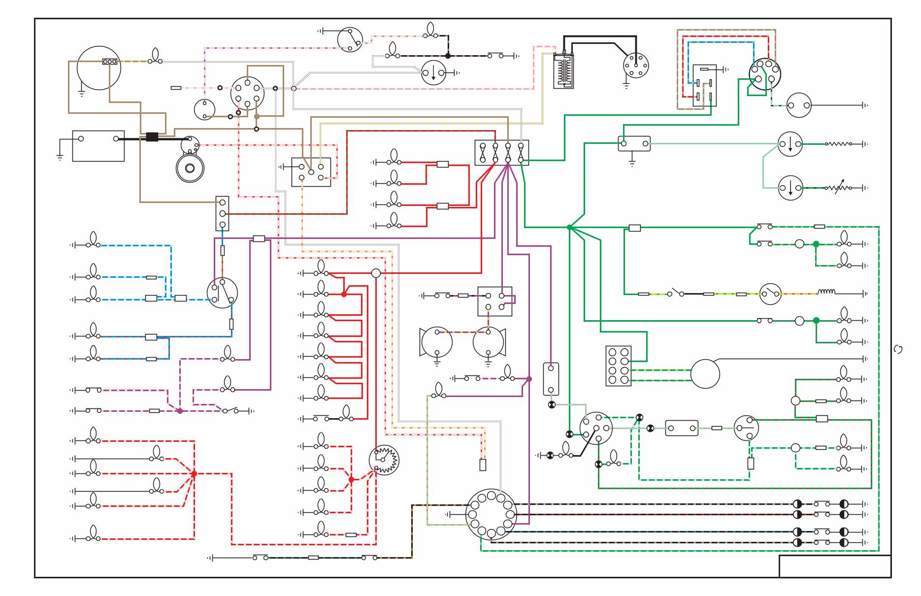
‘69 TR6
DIMMER
SWITCH
HIGH BEAMS LOW BEAMS
HIGH BEAM INDICATOR
BRAKE WARNING LAMP
LOW OIL PRESSURE LAMP
BRAKE WARNING SWITCH
LOW OIL PRESSURE SWITCH
IGNITION SWITCH
REVERSE LIGHTS
& SWITCH
BRAKE LIGHTS
& SWITCH
AMMETER
HEATER FAN
SWITCH
+
-
BATTERY STARTER
GAUGE ILLUMINATION LAMPS
W1 W2
C1
C2 YP YP
Y Y
YG YG
B W
N
B
FROM FUSE BOX
OVERDRIVE
ON - OFF
SWITCH
TRANSMISSION
INTERLOCK
SWITCHES
PULL-IN
COIL
CUT-OUT
SWITCH
OVERDRIVE
SOLENOID
RELAY
OPTIONAL OVERDRIVE
TAIL, REAR MARKER, &
LICENSE PLATE LAMPS
HORN
BUTTON
FRONT PARKING &
MARKER LIGHTS
HORNS
GLOVE BOX LAMP
& SWITCH
TRANSMISSION
TUNNEL
LAMP
TRUNK LAMP & SWITCH
DOOR
SWITCHES
+ -
TEMP GAUGE & SENDER
FUEL GAUGE & SENDER
B I
WIPER MOTOR
WIPER SWITCH
C1 W1
W2
C2
C4
P
B L
1 2
3 4
HAZARD
SWITCH
TURN SIGNAL
SWITCH
TURN SIGNAL
FLASHER
TS INDICATOR
HAZARD
RELAY
HAZARD
FLASHER
LH REAR
LH FRONT
RH FRONT
RH REAR
B L
HEATER FAN MOTOR
GAUGE LAMP
DIMMER CONTROL
WINDSHIELD WASHER
B
DISTRIBUTER
IGNITION
COIL
ALTERNATOR
GR
GR
GR GR
GR GR
GR
GR
GR
GW GW
GW GW GW
GW
GW
GW
GW
PR
LG/P
GP GP GP
GP
G
G
G
G
G
G
G
G
G
G G P P R R
G
G
B
G
G GN GN GN
NG
LG/B
GN
GY
GU
GB
LG/G
GAUGE VOLTAGE
STABILIZER
B
U/LG
R/LG
N/LG
W
LG/G
W
W
W
W
W
W
WB
WN
WB
R
R
R
R
RG
RG
RG
U
U
P UW UW
WR
WR
N
N
N
N NR
NY
NY
W
NW
NW
NW
NW
NU
NW
PB
PB
PB
P
P
P
P
P P
P
P P
UW
UW UW
UW
U
UR
UR
UW
UR
UR
R
R
R
R
R R
R
R
R
RW
RW
RW
RW RW
RW
RW
RW
RW
R
PW
PW
PW
PW P
P
PR
G LG/N LG/N LG/N
B
B
B
N
LG/K
PR
B
B
B
B
B
B
B
B
B
B
B
B
B
B
B
B
Y B
B
COLOR CODES
N Brown LG Light Green G Green
U Blue W White B Black
R Red Y Yellow K Pink
P Purple S Slate O Orange
HOLDING
COIL
2
4
6
8
1
3
5
7
AUTO-WIRE
advance
May be reproduced for personal, non-commercial use only
www.advanceautowire.com A PUBLICATION 5 © 200
dmp
‘70 - ‘71 TR6
DIMMER
SWITCH
HIGH BEAMS LOW BEAMS
HIGH BEAM INDICATOR
BRAKE WARNING LAMP
LOW OIL PRESSURE LAMP
BRAKE WARNING SWITCH
LOW OIL PRESSURE SWITCH
IGNITION SWITCH
REVERSE LIGHTS
& SWITCH
BRAKE LIGHTS
& SWITCH
AMMETER
HEATER FAN
SWITCH
+
-
BATTERY STARTER
GAUGE ILLUMINATION LAMPS
W1 W2
C1
C2 YP YP
Y Y
YG YG
B W
N
B
FROM FUSE BOX
OVERDRIVE
ON - OFF
SWITCH
TRANSMISSION
INTERLOCK
SWITCHES
PULL-IN
COIL
HOLDING
COIL
CUT-OUT
SWITCH
OVERDRIVE
SOLENOID
RELAY
OPTIONAL OVERDRIVE
TAIL, REAR MARKER, &
LICENSE PLATE LAMPS
+ -
TEMP GAUGE & SENDER
FUEL GAUGE & SENDER
B I
WIPER MOTOR
WIPER SWITCH
C1 W1
W2
C2
C4
P
B L
1
3 4
HAZARD
SWITCH
TURN SIGNAL
SWITCH
TURN SIGNAL
FLASHER
TS INDICATOR
HAZARD
RELAY
HAZARD
FLASHER
LH REAR
LH FRONT
RH FRONT
RH REAR
B L
HEATER FAN MOTOR
WINDSHIELD WASHER
B
DISTRIBUTER
IGNITION
COIL
ALTERNATOR
GR
GR
GR GR
GR GR
GR
GR
GR
GW GW
GW GW GW
GW
GW
GW
GW
PR
LG/P
GP GP GP
GP
G
G
G
G
G
G
G
G
G
G G P P R
G
G
B
G
G GN GN GN
GN
LG/B
GN
GY
GU
GB
LG/G
GAUGE VOLTAGE
STABILIZER
B
U/LG
R/LG
N/LG
W
LG/G
W
W
W
W
W
W
WB
WN
WB
RG
RG
U
U
P UW UW
WR
WR
N
N
N
N NR
NY
NY
W
NW
NW
NW
NW
NU
NW
UW
UW UW
UW
U
UR
UR
UW
UR
UR
R
R
R R
R
R
R
RW
RW
RW
RW RW
RW
RW
RW
RW
P
PR
G LG/N LG/N LG/N
B
B
B
N
LG/K
PR
B
B
B
B
B
B
B
B
B
B
B
Y B
B
FRONT PARKING &
MARKER LIGHTS
RG
R
R
R
R
R
R
B
B
B
B
GAUGE LAMP
DIMMER CONTROL
R
X
R
R
R
GLOVE BOX LAMP & SWITCH
TRANSMISSION
TUNNEL LAMP
DOOR
SWITCHES
HORN
BUTTON
HORNS
C2
W1 W2
C1
RH
LH
IGNITION KEY
WARNING
CIRCUIT
PO
PO
PO
B
BG
P P PW
PW
P
PW P
PB PB
PY
PY
P
P
P
P
B B
B
TRUNK LAMP & SWITCH
P PW P
X
COLOR CODES
N Brown LG Light Green G Green
U Blue W White B Black
R Red Y Yellow K Pink
P Purple S Slate O Orange
KEY ILLUMINATION LAMP
2
1 2
3 4
5 6
7 8
AUTO-WIRE
advance
May be reproduced for personal, non-commercial use only
www.advanceautowire.com A PUBLICATION 5 © 200
dmp
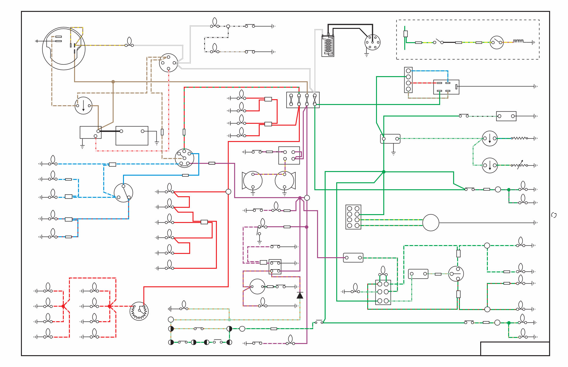
DIMMER
SWITCH
HIGH BEAMS LOW BEAMS
BRAKE WARNING LAMP
LOW OIL PRESSURE LAMP
BRAKE WARNING SWITCH
LOW OIL PRESSURE SWITCH
IGNITION SWITCH
REVERSE LIGHTS
& SWITCH
BRAKE LIGHTS
& SWITCH
HEATER FAN
SWITCH
+
-
BATTERY
GAUGE ILLUMINATION LAMPS
B
DISTRIBUTER
IGNITION
COIL
GLOVE BOX LAMP & SWITCH
TRANSMISSION
TUNNEL LAMP
TRUNK LAMP & SWITCH
DOOR
SWITCHES
+ -
TEMP GAUGE & SENDER
FUEL GAUGE & SENDER
B I
WIPER MOTOR
WIPER SWITCH
HEATER FAN MOTOR
GAUGE LAMP
DIMMER CONTROL
WINDSHIELD WASHER
HORN
BUTTON
HORNS
C2
W1 W2
C1
X
X
X
ALTERNATOR
RH
LH
IGNITION KEY
WARNING
BUZZER
FRONT PARKING &
MARKER LIGHTS
X
RH SEAT
SWITCH
RH SEAT
BELT SWITCH
SEAT BELT NEUTRAL
SAFETY SWITCH
LH SEAT BELT SWITCH
G/LG
G/LG
G/LG G/LG G/LG
LG/O
LG/O
DIODE
SEAT BELT WARNING LIGHT
LG/O
NC
NC
NO
X
X
OD
SOLENOID
TRANSMISSION
INTERLOCK
SWITCH
YP YG YG
B
YG
G
G
G
OVERDRIVE
ON - OFF
SWITCH
OPTIONAL OVERDRIVE
GAUGE VOLTAGE
STABILIZER
G
U/LG
R/LG
N/LG
B
B
B
G
LG/G
LG/G
LG/B
GU
GN
G
G
G
G G
G
G
G
G
G
GY
GN
G
B
G
G
LG/O
PO
PO
PO
B
BG
P P PW
PW
P
PW P
PB PB
PY
PY
P
N
N
RG W W
G
G P P P R
R
R
R
R
R
R
W WB WB
WB
NY
NY
W
R
R
R
R
P PW
W
WN
W
W
W
WR
NW
NW
HIGH BEAM INDICATOR
UW
UW
UW UW
UW
U
UR
UR
UW
UR
UR
RW
RW
RW
RW RW
RW
RW
RW
RW
G GN GN GN
GN
P
P
P
GP GP GP
GP
GP
B
B
B
B
B
B
B
B
B
B
B
B
B
B B
B
B
B
N
‘72 TR6
AMMETER
N NW
NW
STARTER
WR
N
WR
RG
U
U
P UW
NU
RG
TAIL, REAR MARKER, &
LICENSE PLATE LAMPS
R
R
R R
R
R
R
HAZARD
SWITCH
TURN SIGNAL
SWITCH
TURN SIGNAL
FLASHER
LH REAR
LH FRONT
RH FRONT
B L
X
GW
GW GW
GR GR
GR
GW GW
GW
GR
GR
GR
G
LG/G
LG/S
LG/S
LG/K
LG/N LG/N
GW
GW
GR
B
B
B
B L
HAZARD
FLASHER
RH REAR
X
GR
COLOR CODES
N Brown LG Light Green G Green
U Blue W White B Black
R Red Y Yellow K Pink
P Purple S Slate O Orange
KEY ILLUMINATION LAMP
1 2
3 4
5 6
7 8
1 2
3 4
7 8
AUTO-WIRE
advance
May be reproduced for personal, non-commercial use only
www.advanceautowire.com A PUBLICATION 5 © 200
dmp
REVERSE LIGHTS
& SWITCH
B
DISTRIBUTER
IGNITION
COIL
TEMP GAUGE & SENDER
FUEL GAUGE & SENDER
BRAKE LIGHTS
& SWITCH
1 2
3
5
7
HEATER FAN
SWITCH
+
-
BATTERY
OVERDRIVE SOLENOID
TRANSMISSION
INTERLOCK SWITCH
YG YG B YG G
OVERDRIVE
ON - OFF SWITCH
HORN
BUTTON
HORNS
C2
W1 W2
C1
U
X
X
X
KEY ILLUMINATION LAMP
FOOTWELL LAMP RH DOOR SWITCH
LH DOOR SWITCH
LH DOOR SWITCH
FOOTWELL LAMP
SWITCH
GAUGE & DASH
ILLUMINATION LAMPS
GAUGE & DASH
ILLUMINATION LAMPS
DIMMER &
FLASH-TO-PASS
SWITCH
HIGH BEAMS LOW BEAMS
HIGH BEAM INDICATOR
GLOVE BOX LAMP
FRONT PARKING &
MARKER LIGHTS
TAIL, REAR MARKER, &
LICENSE PLATE LAMPS
TRUNK LAMP & SWITCH
NEUTRAL SAFETY SWITCH
B I
WIPER/WASHER
SWITCH
WIPER MOTOR
N/LG
R/LG
U/LG
LG/B
HEATER FAN MOTOR
VOLTMETER
BRAKE FAILURE
SWITCH
BRAKE FAIL
LAMP
LOW OIL
PRESSURE LAMP
IGNITION
SWITCH
ALTERNATOR WARNING
LAMP
STARTER
RADIO
CONNECTION
HEADLIGHT
SWITCH
GAUGE
LAMP
DIMMER
CONTROL
HORN RELAY
HAZARD FLASHER
GAUGE VOLTAGE
STABILIZER
BALLAST RESISTER WIRE
COLOR CODES
N Brown LG Light Green G Green
U Blue W White B Black
R Red Y Yellow K Pink
P Purple S Slate O Orange
UW
UW
UW
UR
UR
PW
PW
RW
B
B
RW
RW
RW
RW
RW
RW
RW
RW
RW RW
R
G
G
G G G G
G
G
P P P P
R
R
R
R
RR
R
R
R
R
R
R
R
R
R
R
R
KW
NR
P
RG
WR
N
N
N
RG
WY
W
N
N
RW
RW
RW
P
PW
PW
PW
GP G
G
GY
GN
GN
G/LG G
LG
LG
G
G
W
BP
BP BP W NY N
ALTERNATOR
N
P
UR
UW
UR
UW
PW
RW
W
B
W
WK
N
N
N
PY
PY
P
P
PB PB
N W
FUSE BOX
WR
B
B
B
B
B
B
B B
B
B
B
B
B
B
B
B
B
B
L B
G/LG
LG/O
RH SEAT
SWITCH
RH SEAT
BELT SWITCH
LH SEAT BELT SWITCH
G/LG
G/LG
G/LG G/LG
LG/O
LG/O
SEAT BELT
WARNING LIGHT
LG/O
NC
NC
NO
X
X
B
IGNITION KEY
SWITCH
DIODE
PO
PO
PO
BG
P P
P PW
P PW
1 2
3
4
5
6
OIL PRESSURE
SWITCH
WP
WN
N
WP
ANTI
RUN-ON
VALVE
KEY &SEAT
BELT WARNING
BUZZER
NR
X
LH FRONT
LH REAR
X
RH FRONT
RH REAR
B L
TURN SIGNAL
FLASHER
HAZARD
SWITCH
TURN SIGNAL
INDICATOR
HAZARD
INDICATOR
TURN SIGNAL
SWITCH
B
B
GR
GR
GR
GW
GW
GW
GR
GW
GW
GR
GR
LG/N LG/N
LG/K
GW
G
LG/S
LG/S
B
KW
WY
WK
I
S
P
‘73 TR6
YP
WASHER MOTOR
B
GP
GP
GN
GN
G/LG
GU
GB
B
B
B
1
2 3
4
4
6
8
AUTO-WIRE
advance
May be reproduced for personal, non-commercial use only
www.advanceautowire.com A PUBLICATION 5 © 200
dmp
‘74 TR6
REVERSE LIGHTS
& SWITCH
B
DISTRIBUTER
IGNITION
COIL
TEMP GAUGE & SENDER
FUEL GAUGE & SENDER
BRAKE LIGHTS
& SWITCH
C1 W1
W2
C2
C4
HEATER FAN
SWITCH
+
-
BATTERY
X
LH FRONT
LH REAR
X
RH FRONT
RH REAR
OVERDRIVE SOLENOID
TRANSMISSION
INTERLOCK SWITCH
YP YG YG B YG G
OVERDRIVE
ON - OFF SWITCH
B L
L B
HORN
BUTTON
HORNS
C2
W1 W2
C1
U
X
KEY ILLUMINATION LAMP
FOOTWELL LAMP RH DOOR SWITCH
LH DOOR SWITCH FOOTWELL LAMP
SWITCH
GAUGE & DASH
ILLUMINATION LAMPS
GAUGE & DASH
ILLUMINATION LAMPS
IGNITION KEY SWITCH LH DOOR SWITCH
DIMMER &
FLASH-TO-PASS
SWITCH
HIGH BEAMS LOW BEAMS
HIGH BEAM INDICATOR
GLOVE BOX LAMP
SEATBELT WARNING LAMP
FRONT PARKING &
MARKER LIGHTS
TAIL, REAR MARKER, &
LICENSE PLATE LAMPS
TRUNK LAMP & SWITCH
NEUTRAL SAFETY SWITCH
B I
WIPER/WASHER
SWITCH
WASHER MOTOR
WIPER MOTOR
N/LG
R/LG
U/LG
LG/B
HEATER FAN MOTOR
OIL PRESSURE
SWITCH
VOLTMETER
BRAKE FAILURE
SWITCH
BRAKE FAIL
LAMP
LOW OIL
PRESSURE LAMP
IGNITION
SWITCH
ALTERNATOR WARNING
LAMP
STARTER
RADIO
CONNECTION
HEADLIGHT
SWITCH
STARTER
RELAY
GAUGE
LAMP
DIMMER
CONTROL
HORN RELAY
HAZARD FLASHER
TURN SIGNAL
FLASHER
HAZARD
SWITCH
TURN SIGNAL
INDICATOR
HAZARD
INDICATOR
SEATBELT
MODULE
TURN SIGNAL
SWITCH
GAUGE VOLTAGE
STABILIZER
BALLAST RESISTER WIRE
COLOR CODES
N Brown LG Light Green G Green
U Blue W White B Black
R Red Y Yellow K Pink
P Purple S Slate O Orange
UW
UW
UW
UR
UR
PW
PW
RW
B
B
RW
RW
RW
RW
RW
RW
RW
RW
RW RW
R
G
G
G G G G
G
G
P P P P
R
R
R
R
RR
R
R
R
R
R
R
R
R
R
R
R
R
R
KW
RG
WR
N
N
N
N
N
RG
WY
WO
W
N
N
RW
RW
RW
P
PW
PW
PW
BS
BR
BU
BN
G/LG
B
B
B
GP
GP
GP G
GR
GR
GR
GW
GW
GW
GR
GW
GW
GR
GR
LG/N LG/N
G
GY
GN
LG/K
GW
G
LG/S
LG/S
GN
GN GN
G/LG G/LG G
GU
GB
LG
LG
B
G
G
WR
N
NR
WP
WP
WN
W
BP
BP BP W NY
P
UR
UW
UR
UW
PW
BO BG BG
RW
LG/O
BO
WR
WO
W
B
W
B
W
WK
N
N
N
PY
PY
P
P
P
P
PB PB
PW
LG/O
N W
FUSE BOX
WR
B
B
B
B
B
B
B
B
B B
B
B
B
B
B
B
B
B
B
B
B
B
RH SEAT SENSOR SWITCH
RH SEATBELT SWITCH
LH SEAT SENSOR SWITCH
LH SEATBELT SWITCH
ANTI
RUN-ON
VALVE
KW
WY
WK
N
ALTERNATOR
NR
N
I
S
P
1 2
3
4
5
6
X
1 2
3 4
5 6
7 8
1
2
3
4
7
8
9
10
11
12
6
5
X
1
2 3
4
AUTO-WIRE
advance
May be reproduced for personal, non-commercial use only
www.advanceautowire.com A PUBLICATION 5 © 200
dmp
‘75 TR6
REVERSE LIGHTS
& SWITCH
B
DISTRIBUTER
IGNITION
COIL
TEMP GAUGE & SENDER
FUEL GAUGE & SENDER
BRAKE LIGHTS
& SWITCH
C1 W1
W2
C2
C4
HEATER FAN
SWITCH
+
-
BATTERY
X
LH FRONT
LH REAR
X
RH FRONT
RH REAR
OVERDRIVE SOLENOID
TRANSMISSION
INTERLOCK SWITCH
YP YG YG B YG G
OVERDRIVE
ON - OFF SWITCH
B L
HORN
BUTTON
C2
W1 W2
C1
U
X
X
KEY ILLUMINATION LAMP
FOOTWELL LAMP RH DOOR SWITCH
LH DOOR SWITCH FOOTWELL LAMP
SWITCH
GAUGE & DASH
ILLUMINATION LAMPS
GAUGE & DASH
ILLUMINATION LAMPS
IGNITION KEY SWITCH LH DOOR SWITCH
DIMMER &
FLASH-TO-PASS
SWITCH
HIGH BEAMS LOW BEAMS
HIGH BEAM INDICATOR
GLOVE BOX LAMP
SEATBELT WARNING LAMP
FRONT PARKING &
MARKER LIGHTS
TAIL, REAR MARKER, &
LICENSE PLATE LAMPS
TRUNK LAMP & SWITCH
NEUTRAL SAFETY SWITCH
B I
WIPER/WASHER
SWITCH
WASHER MOTOR
WIPER MOTOR
N/LG
R/LG
U/LG
LG/B
HEATER FAN MOTOR
OIL PRESSURE
SWITCH
VOLTMETER
BRAKE FAILURE
SWITCH
BRAKE FAIL
LAMP
LOW OIL
PRESSURE LAMP
IGNITION
SWITCH
ALTERNATOR WARNING
LAMP
STARTER
RADIO
CONNECTION
HEADLIGHT
SWITCH
STARTER
RELAY
GAUGE
LAMP
DIMMER
CONTROL
HORN RELAY
HAZARD FLASHER
TURN SIGNAL
FLASHER
HAZARD
SWITCH
TURN SIGNAL
INDICATOR
HAZARD
INDICATOR
SEATBELT
MODULE
TURN SIGNAL
SWITCH
GAUGE VOLTAGE
STABILIZER
BALLAST RESISTER WIRE
COLOR CODES
N Brown LG Light Green G Green
U Blue W White B Black
R Red Y Yellow K Pink
P Purple S Slate O Orange
UW
UW
UW
UR
UR
PW
PW
RW
B
B
RW
RW
RW
RW
RW
RW
RW
RW
RW RW
R
G
G
G G G G
G
G
P P P P
R
R
R
R
RR
R
R
R
R
R
R
R
R
R
R
R
R
R
KW
RG
WR
N
N
N
N
N
RG
WY
WO
W
N
N
RW
RW
RW
P
PW
PW
PW
BS
BR
BU
BN
G/LG
B
B
B
GP
GP
GP G
GR
GR
GR
GW
GW
GW
GR
GW
GW
GR
GR
LG/N LG/N
G
GY
GN
LG/K
GW
G
LG/S
LG/S
GN
GN GN
G/LG G/LG G
GU
GB
LG
LG
B
G
G
WR
N
NR
WP
WP
WN
W
BP
BP BP W NY
P
UR
UW
UR
UW
PW
BO BG BG
RW
LG/O
BO
WR WO
W
B
W
B
W
WK
N
N
N
PY
P
P
P
P
PB PB
PW
LG/O
N W
FUSE BOX
WR
B
B
B
B
B
B
B
B
B
B
B
B
B
B
B
B
B
B
B
B
ANTI
RUN-ON
VALVE
RH SEAT SENSOR SWITCH
RH SEATBELT SWITCH
LH SEAT SENSOR SWITCH
LH SEATBELT SWITCH
KW
WY
WK
N
ALTERNATOR
NR
N
I
S
P
L B
HORNS
PY
B B
X
3
4
5
1
6
2
1
2
3
4
5
6
7
8
9
10
11
12
1 2
3 4
5 6
7 8
1
2 3
4
AUTO-WIRE
advance
May be reproduced for personal, non-commercial use only
www.advanceautowire.com A PUBLICATION 5 © 200
dmp
‘76 TR6
REVERSE LIGHTS
& SWITCH
B
DISTRIBUTER
IGNITION
COIL
TEMP GAUGE & SENDER
FUEL GAUGE & SENDER
BRAKE LIGHTS
& SWITCH
C1 W1
W2
C2
C4
+
-
BATTERY
X
LH FRONT
LH REAR
X
RH FRONT
RH REAR
OVERDRIVE SOLENOID
TRANSMISSION
INTERLOCK SWITCH
YP YG YG B YG G
OVERDRIVE
ON - OFF SWITCH
B L
L B
HORN
BUTTON
HORNS
C2
W1 W2
C1
U
KEY WARNING LAMP
FOOTWELL LAMP RH DOOR SWITCH
LH DOOR SWITCH FOOTWELL LAMP
SWITCH
GAUGE & DASH
ILLUMINATION LAMPS
GAUGE & DASH
ILLUMINATION LAMPS
IGNITION KEY SWITCH LH DOOR SWITCH
DIMMER &
FLASH-TO-PASS
SWITCH
HIGH BEAMS LOW BEAMS
HIGH BEAM INDICATOR
GLOVE BOX LAMP
SEATBELT WARNING LAMP
FRONT PARKING &
MARKER LIGHTS
TAIL, REAR MARKER, &
LICENSE PLATE LAMPS
TRUNK LAMP & SWITCH
B I
WIPER/WASHER
SWITCH
WASHER MOTOR
WIPER MOTOR
N/LG
R/LG
U/LG
LG/B
1 2
3
4
5
6
OIL PRESSURE
SWITCH BRAKE FAILURE
SWITCH
BRAKE FAIL
LAMP
LOW OIL
PRESSURE LAMP
IGNITION
SWITCH
ALTERNATOR WARNING
LAMP
STARTER
RADIO
CONNECTION
HEADLIGHT
SWITCH
“BULB TEST”
RELAY
GAUGE
LAMP
DIMMER
CONTROL
HORN RELAY
HAZARD FLASHER
TURN SIGNAL
FLASHER
HAZARD
SWITCH
TURN SIGNAL
INDICATOR
HAZARD
INDICATOR
TURN SIGNAL
SWITCH
LH SEATBELT SWITCH
GAUGE VOLTAGE
STABILIZER
BALLAST RESISTER WIRE
UW
UW
UW
UR
UR
PW
PW
RW
RW
RW
RW
RW
RW
RW
RW
RW
RW RW
R
G
G
G
G
G
G G G
G
G
P P P P
R
R
R
R
RR
R
R
R
R
R
R
R
R
R
R
R
R
R
KW
RG
WR
N
N
N
N
RG
PS
W
N
RW
RW
RW
P
PW
PW
PW
B
B
B
GP
GP
GP
GR
GR
GR
GW
GW
GW
GR
GW
GW
GR
GR
LG/N LG/N
LG/K
GW
G
LG/S
LG/S
GN
GN GN GN
G
GU
GB
LG
LG
B
G
G
WO
WO
WO
N
NR
WP
WP
WN
W
W
BP
BP
BP BP W NY
P
UR
UW
UR
UW
PW
BO BU BG BG
RW
B
VOLTMETER
W
B
W
WK WK
N
N
N
PY
PY
P
P
P
P
PB PB
PW
LG/O
FUSE BOX
WR
SEATBELT
MODULE
HANDBRAKE SWITCH
G
LG/W
G
EGR SERVICE
COUNTER & LAMP
LG/W LG/W
WY
HEATER FAN
SWITCH
HEATER FAN MOTOR
G
GY
GN
COLOR CODES
N Brown LG Light Green G Green
U Blue W White B Black
R Red Y Yellow K Pink
P Purple S Slate O Orange
P
P
B B
B
B
B
B
B
B
ANTI
RUN-ON
VALVE
X
X
B
P
B
B
B
B
B
WO
B
B
B
B
B
B
B
KW
WY
N
ALTERNATOR
NR
N
I
S
P
1
2 3
4
N W
1 2
3 4
5 6
7 8
X
AUTO-WIRE
advance
May be reproduced for personal, non-commercial use only
www.advanceautowire.com A PUBLICATION 5 © 200
dmp
You're Reading a Preview
What's Included?
Lifetime Access
Access PDF Contents & Bookmarks
Print one or all pages of your manual